本校师生
融合门户
校外VPN
校园邮箱
OA办公平台
校外用户
考生
校友
访客
应聘者
首页
世界杯欧洲赛程2020赛程表图
学校简介
现任领导
党委书记
党委副书记、校长
2026百年世界杯
纪委书记
副校长
校长助理
党委常委
学校章程
世界杯今天几点开始
数据中传
汇总标题
汇总大图
数据汇总
中传新闻
学院部门
世界杯举办地方
行政职能部门
直(附)属单位
教学科研单位
校园生活
信息化服务
设备仪器场馆预约
后勤服务
电话黄页
校历
校医院
心港湾
图书馆
人才培养
本科生教育
专业建设
教学成果奖
课程教学
实践教育
教学名师
通识教育
研究生教育
研究生管理服务
规章制度
电子成绩单
学位论文编写规则
学生选课
师资队伍
2026世界杯积分榜
国际传媒教育
高等职业技术教育
MBA人才培养
培训教育
白杨课堂
科学研究
科研学术简介
学术委员会
科研机构
国家级科研机构
省部级科研机构
其他高级别科研机构
校级科研战略机构
校级科研协作机构
校级科研创新机构
院级科研机构
学术期刊
科学研究处
科研学术
2026美加墨世界杯
本科招生
研究生招生
培训教育招生
2026世界杯积分榜招生
国际传媒教育学院招生
国际预科招生
国际学生招生
MBA招生
MPA招生
职业教育国际(预科)招生
就业创业指导服务
2026世界杯高清直播
国际交流
国内合作
传媒大学教育基金会
教育发展中心
教育服务中心
旧版备份
首页
旧版备份
学术聚萃
成果展台
白杨首页
世界杯欧洲赛程2020赛程表图
机构设置
科学研究
师资队伍
教育教学
招生就业
公共服务
人才招聘
培训信息
数字办公
新闻资讯
精品佳作
学术聚萃
学术观点
研究动态
成果展台
学人风采
学术专题
学生部落
中传人物
VR校园
中传史苑
高校电视联播
大图切换
校园生活平台
专题
视频
传媒讲堂
最新更新
白杨网
招生信息
办公平台
就业信息
手机大图
视频测试
首页视频
首页视频1
专题建站
增量测试
2023
中传新闻
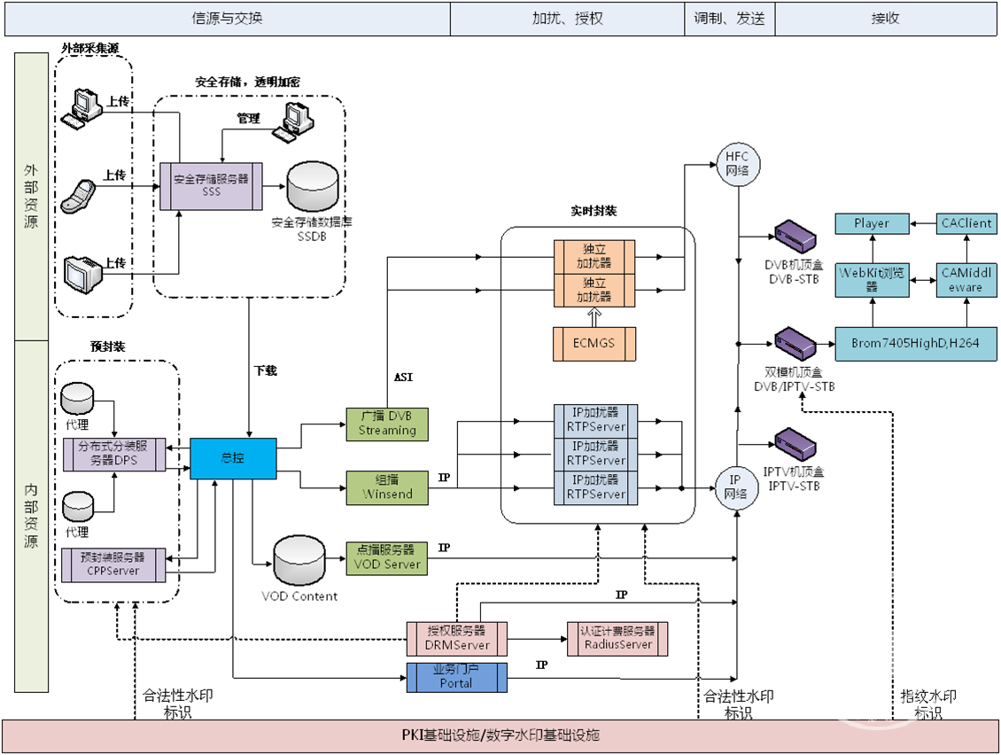
苏志武教授团队:DVB/IPTV双模互动电视系统
发布时间:2014-09-12
浏览次数:
1482
文章来源:信息工程学院
分享至:
摘要:信息工程学院(苏志武教授团队)自主研制的“DVB/IPTV双模互动电视系统”,该成果获广电总局科技创新一等奖,其成果已应用于保加利亚电信、美国Intercom、美国FyreTV、墨西哥Cablmas等国内外媒体机构,经济效益显著。
第一页
<<上一页
下一页>>
尾页
页码
1
/
5
map